Since: 14,Octorber 2004 : Revision 2, September 2025
DAC-01 制作2
ジッターによる音質劣化を改善するために、シーラスロジック ジッタークリーナー CS2300を検討します。CS8416で生成されたClockをCS2300のPLLによりジッターを低減します。

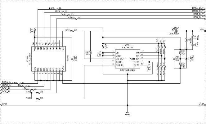
DACに適合するのはCS2100とCS2300です。CS2100は水晶発振周波数を基準にしますので、高性能が期待できます。しかし、fs:44.1kHzとfs:48kHzに対応するには周波数が高くなりすぎます。LC発振を基準とするCS2300を考えます。192kHzまでFN1242Aを動作させるにはシステムクロックを128fsにします。仕様でfs:32kHzからfs:192kHzに対応させるので、CS8416から、4.096MHzから24.576MHzのシステムクロックを出力させています。この条件に適合するCS2300は、CS2300-01かCS2300-02です。

CS2300-01はLoop Filter帯域が1Hzと狭く高性能が期待できます。手持ちのCDで確認したところ残念ながらLookできません。CS2300-02は128Hzと帯域が広いので確実にLookできるのでこれを採用します。
CS2300-02を使うとCS8416から出力される128fsのシステムクロックは内部で2逓倍され256fsが出力になるので、1/2分周し128fsに戻します。この時CS8416からDACを駆動するI2S信号も258fsでリクロックしジッターの低減を行います。小基板を作成し主基板に載せます。

CS2300-02は0.5mmピッチの面実装なので、その他のICやCRも1608の面実装部品とし小型化します。いつものフリーソフトPCBEでパターン設計し基板メーカーで作成します。あえて片面基板設計しで紙フェノール材FR1を使用します。

主基板のR148,J125,J126,J127を取り外し、CS8416側から信号を取り、FN1242N側に信号を戻します。小基板は両面テープを貼ったウレタンスポンジで固定します。

小基板を動作させてもジッターが変化しただけなので基本的な性能に変化はありません。左側はCS8416からのシステムクロックと右側はCS2300小基板からのシステムクロックをスペクトラムアナライザーで観測します。DATAは10kHz正弦波です。

左側写真ではノイズフロアが-60から-70dB程度で、数多くのスプリアスがあります。センターを挟んでの一番大きいスプリアスは±10kHzですが、DATAを1kHzにしても変化しませんので干渉によるものではないようです。右側写真のノイズフロアは-90dB以上に下りスプリアスは無くなります。ここまでの違いは、試聴すると明確な違いとなります。Fs:96kHz、fs:192kHzでも同様の結果です。
ジッターを低減したことで音質は大きく改善しました。楽音と楽音の間の静寂性が高まり、CDのザワツキが低減しLPの鳴りっぷりに近づきました。